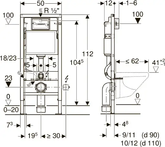
Geberit Duofix Система инсталляции для унитазов 4 в 1 с кнопкой смыва, цвет : хром 458.128.21.1

83 128
Артикул
458.128.21.1
Страна
Швейцария
Бренд
Geberit
Коллекция
Duofix
Цвет
Хром
Тип
Монтажная рама, готовое решение (инсталляция+кнопка)
Ширина, см
50
Глубина, см
12
Высота, см
112
Управление
Механическое
Режим слива воды
Две кнопки (режим эконом)
Материал кнопки
Пластик
Цвет чаши
Хром
Подвод воды
Сзади бачка, Сверху бачка
Объем, л
7.5
Диаметр слива, см
9
Метод крепления
В стену и пол
Гарантия
10 лет
Назначение
Для подвесного унитаза
Дополнительная информация
кнопка хром
Оснащение
Крепления, Смывной бачок, Кнопка смыва, Звукоизолирующая прокладка
Стилистика дизайна
Hi-tech